0102030405
0.5/0.8-Dual Row Board-to-Board Connector
Specifications
| Model | Diagram | Specification |
| 0.5-Dual Row Board-to-Board Connector | |
1、CKT: 2*4Pin to 2*50Pin 2、Current rating: 0.5A AC/DC 3、Voltage rating(max): 50V,AC/DC 4、Working Temperature: -25°C~+85°C,(Including temperature rise in applying electrical current) 5、Contact resistance: Initial value≤20mΩ After environmental testing≤40mΩ 6、Insulation resistance:≥100MΩ 7、Withstand voltage: 200VAC(rms) 8、Applicable PCB board thickness: 1.6mm to 2.0mm |
| 0.8-Dual Row Board-to-Board Connector | |
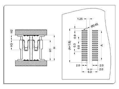
Mounting Measurement
0.5-Dual Row Board-to-Board Connector

| H | H1 | H2 | H3 |
| 3 | 2.2 | 0.8 | 1.6 |
| 3.5 | 2.2 | 1.3 | 1.6 |
| 4 | 3 | 1 | 1.9 |
| 4.5 | 3.5 | 1 | 1.9 |
| 5 | 4 | 1 | 1.9 |
| 5.5 | 4.5 | 1 | 1.9 |
| 6 | 4 | 2 | 1.9 |
| 6.5 | 4.5 | 2 | 1.9 |
| 7 | 3 | 4 | 1.9 |
| 7.5 | 3.5 | 4 | 1.9 |
| 8 | 4 | 4 | 1.9 |
| 8.5 | 4.5 | 4 | 1.9 |
0.8-Dual Row Board-to-Board Connector

| H | H1 | H2 | H3 |
| 4 | 3 | 1 | 1.9 |
| 4.5 | 3.5 | 1 | 1.9 |
| 5 | 4 | 1 | 1.9 |
| 5.5 | 4.5 | 1 | 1.9 |
| 6 | 4 | 2 | 1.9 |
| 6.5 | 4.5 | 2 | 1.9 |
| 7 | 3 | 4 | 1.9 |
| 7.5 | 3.5 | 4 | 1.9 |
| 8 | 4 | 4 | 1.9 |
| 8.5 | 4.5 | 4 | 1.9 |
Product description
Wafer
0.5-Dual Row Board-to-Board Connector
Material and Finish :
Housing:PA9T UL 94V-0 & Terminal:phosphor bronze Finish: Tin-plated & Gold-plated

| CKT | Part No | DIM A | DIM B |
| 2*4 | BT05***F-08 | 1.5 | 2.55 |
| 2*5 | BT05***F-10 | 2 | 3.05 |
| 2*6 | BT05***F-12 | 2.5 | 3.55 |
| 2*7 | BT05***F-14 | 3 | 4.05 |
| 2*8 | BT05***F-16 | 3.5 | 4.55 |
| 2*9 | BT05***F-18 | 4 | 5.05 |
| 2*10 | BT05***F-20 | 4.5 | 5.55 |
| 2*11 | BT05***F-22 | 5 | 6.05 |
| 2*12 | BT05***F-24 | 5.5 | 6.55 |
| 2*13 | BT05***F-26 | 6 | 7.05 |
| 2*14 | BT05***F-28 | 6.5 | 7.55 |
| - | - | - | - |
| 2*50 | BT05***F-100 | 24.5 | 25.55 |
Material and Finish
Housing:PA9T UL94V-0 & Terminal:phosphor bronze Finish: Tin-plated & Gold-plated

| CKT | Part No | DIM A | DIM B |
| 2*4 | BT05***M-08 | 1.5 | 2.55 |
| 2*5 | BT05***M-10 | 2 | 3.05 |
| 2*6 | BT05***M-12 | 2.5 | 3.55 |
| 2*7 | BT05***M-14 | 3 | 4.05 |
| 2*8 | BT05***M-16 | 3.5 | 4.55 |
| 2*9 | BT05***M-18 | 4 | 5.05 |
| 2*10 | BT05***M-20 | 4.5 | 5.55 |
| 2*11 | BT05***M-22 | 5 | 6.05 |
| 2*12 | BT05***M-24 | 5.5 | 6.55 |
| 2*13 | BT05***M-26 | 6 | 7.05 |
| 2*14 | BT05***M-28 | 6.5 | 7.55 |
| - | - | - | - |
| 2*50 | BT05***M-100 | 24.5 | 25.55 |
Wafer
0.8-Dual Row Board-to-Board Connector
Material and Finish :
Housing:PA9T UL 94V-0 & Terminal:phosphor bronze Finish: Tin-plated & Gold-plated

| CKT | Part No | DIM A | DIM B |
| 2*4 | BT08***F-08 | 2.4 | 3.5 |
| 2*5 | BT08***F-10 | 3.2 | 4.3 |
| 2*6 | BT08***F-12 | 4 | 5.1 |
| 2*7 | BT08***F-14 | 4.8 | 5.9 |
| 2*8 | BT08***F-16 | 5.6 | 6.7 |
| 2*9 | BT08***F-18 | 6.4 | 7.5 |
| 2*10 | BT08***F-20 | 7.2 | 8.3 |
| 2*11 | BT08***F-22 | 8 | 9.1 |
| 2*12 | BT08***F-24 | 8.8 | 9.9 |
| 2*13 | BT08***F-26 | 9.6 | 10.7 |
| 2*14 | BT08***F-28 | 10.4 | 11.5 |
| - | - | - | - |
| 2*50 | BT08***F-100 | 39.2 | 40.3 |
Material and Finish :
Housing:PA9T UL94V-0 & Terminal:phosphor bronze Finish: Tin-plated & Gold-plated
| CKT | Part No | DIM A | DIM B |
| 2*4 | BT08***M-08 | 2.4 | 3.45 |
| 2*5 | BT08***M-10 | 3.2 | 4.25 |
| 2*6 | BT08***M-12 | 4 | 5.05 |
| 2*7 | BT08***M-14 | 4.8 | 5.85 |
| 2*8 | BT08***M-16 | 5.6 | 6.65 |
| 2*9 | BT08***M-18 | 6.4 | 7.45 |
| 2*10 | BT08***M-20 | 7.2 | 8.25 |
| 2*11 | BT08***M-22 | 8 | 9.05 |
| 2*12 | BT08***M-24 | 8.8 | 9.85 |
| 2*13 | BT08***M-26 | 9.6 | 10.65 |
| 2*14 | BT08***M-28 | 10.4 | 11.45 |
| - | - | - | - |
| 2*50 | BT08***M-100 | 39.2 | 40.25 |



