0102030405
1.0mm Pitch Non-ZIF S/T Positive Pointer/Reversed Pointer H=5.5
Specifications
| Model | Diagram | Specification |
| 1.0mm Pitch Non-ZIF S/T Positive Pointer H=5.5 | |
1、CKT: 4Pin to 30Pin 2、Current rating: 0.5A AC/DC 3、Voltage rating(max): 50V, AC/DC 4、Working Temperature: -25°C~+85°C,(Including temperature rise in applying electrical current) 5、Contact resistance:value≤55mΩ 6、Insulation resistance: ≥500MΩ 7、Withstand voltage: 500VAC(rms) 8、Applicable PCB board thickness: 1.6mm to 2.0mm |
| 1.0mm Pitch Non-ZIF S/T Reversed Pointer H=5.5 | |
Mounting Measurement
| Assembly Layout | Applicable Flat Cable | P.C.B Layout | |
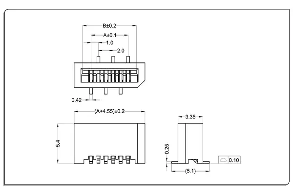
| 1.0mm Pitch Non-ZIF S/T Positive Pointer H=5.5 | |
|
|
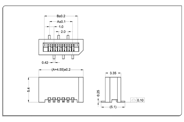
| 1.0mm Pitch Non-ZIF S/T Reversed Pointer H=5.5 | |
|
|
Product description
Non-ZIF S/T Positive pointer
Material and Finish :
Housing:LCP UL 94V-0 & Terminal:phosphor bronze Finish: Tin-plated & Gold-plated

| CKT | Part No | DIM A | DIM B |
| 4 | WL 10553-04 | 3 | 7.8 |
| 5 | WL 10553-05 | 4 | 8.8 |
| 6 | WL 10553-06 | 5 | 9.8 |
| 7 | WL10553-07 | 6 | 10.8 |
| 8 | WL10553-08 | 7 | 11.8 |
| 9 | WL 10553-09 | 8 | 12.8 |
| 10 | WL 10553-10 | 9 | 13.8 |
| 11 | WL10553-11 | 10 | 14.8 |
| 12 | WL 10553-12 | 11 | 15.8 |
| 13 | WL 10553-13 | 12 | 16.8 |
| 14 | WL 10553-14 | 13 | 17.8 |
| - | - | - | - |
| 30 | WL 10553-30 | 29 | 33.8 |
Non-ZlF S/T Reversed pointer
Material and Finish :
Housing:LCP UL 94V-0 & Terminal:phosphor bronze Finish: Tin-plated & Gold-plated

| CKT | Part No | DIM A | DIM B |
| 4 | WL10554-04 | 3 | 7.8 |
| 5 | WL10554-05 | 4 | 8.8 |
| 6 | WL10554-06 | 5 | 9.8 |
| 7 | WL10554-07 | 6 | 10.8 |
| 8 | WL10554-08 | 7 | 11.8 |
| 9 | WL10554-09 | 8 | 12.8 |
| 10 | WL10554-10 | 9 | 13.8 |
| 11 | WL10554-11 | 10 | 14.8 |
| 12 | WL10554-12 | 11 | 15.8 |
| 13 | WL10554-13 | 12 | 16.8 |
| 14 | WL10554-14 | 13 | 17.8 |
| - | - | - | - |
| 30 | WL10554-30 | 29 | 33.8 |



