0102030405
1.25-A Type(DF13) PCB Wire-to-Board Strip Connector
Specifications
| Diagram | Specification |
| |
1、CKT: 2*5Pin to 2*25Pin 2、Current rating: 1A AC/DC 3、Voltage rating(max): 150V, AC/DC 4、Working Temperature: -25°C~+85°C, (Including temperature rise in applying electrical current) 5、Contact resistance:Initial value ≤20mΩ After environmental testing≤40mΩ 6、Insulation resistance: ≥500MΩ 7、Withstand voltage: 500VAC(rms) 8、Applicable wire: AWG #30 to #26 9、Applicable PCB board thickness: 1.6mm to 2.0mm |
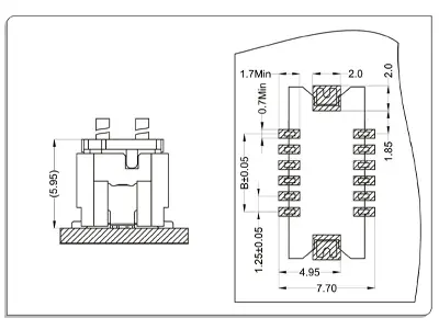
Mounting Measurement
Straight Angle

Product Parameter
Terminal: T=0.15mm

| CKT | Part No | DIM A | DIM B |
| 2*5 | WB125A0-10 | 10.5 | 5 |
| 2*6 | WB125A0-12 | 11.75 | 6.25 |
| 2*7 | WB125A0-14 | 13 | 7.5 |
| 2*8 | WB125A0-16 | 14.25 | 8.75 |
| 2*9 | WB125A0-18 | 15.5 | 10 |
| 2*10 | WB125A0-20 | 16.75 | 11.25 |
| 2*11 | WB125A0-22 | 18 | 12.5 |
| 2*12 | WB125A0-24 | 19.25 | 13.75 |
| 2*14 | WB125A0-28 | 21.75 | 16.25 |
| 2*15 | WB125A0-30 | 23 | 17.5 |
| 2*16 | WB125A0-32 | 24.25 | 18.75 |
| - | - | - | - |
| 2*25 | WB125A0-50 | 35.5 | 30 |
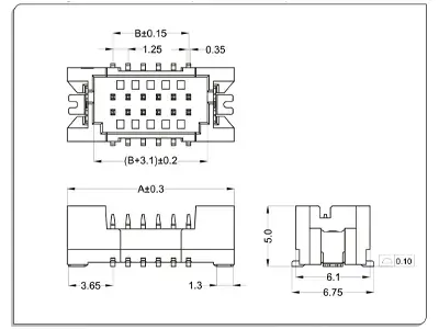
Wafer
Material and Finish :
Housing:PA6T UL .94V-0 & Terminal:Brass & Fitting:Brass;
Finish: Tin-plated & Gold-plated

| CKT | Part No | DIM A | DIM B |
| 2*5 | WB125A0-10 | 12.5 | 5 |
| 2*6 | WB125A0-12 | 13.75 | 6.25 |
| 2*7 | WB125A0-14 | 15 | 7.5 |
| 2*8 | WB125A0-16 | 16.25 | 8.75 |
| 2*9 | WB125A0-18 | 17.5 | 10 |
| 2*10 | WB125A0-20 | 18.75 | 11.25 |
| 2*11 | WB125A0-22 | 20 | 12.5 |
| 2*12 | WB125A0-24 | 21.25 | 13.75 |
| 2*13 | WB125A0-26 | 22.5 | 15 |
| 2*14 | WB125A0-28 | 23.75 | 16.25 |
| 2*15 | WB125A0-30 | 25 | 17.5 |
| - | - | - | - |
| 2*25 | WB125A0-50 | 37.5 | 30 |


