2.0-C Type(PHDC)/B Type(MX) Wire-to-Board Connector
Specifications
| model | Diagram | Specification |
| 2.0-C Type(PHDC) Wire-to-Board Connector | 1、CKT: 2*2Pin to 2*20Pin 2、Current rating: 3A AC/DC 3、Voltage rating(max): 250V, AC/DC 4、Working Temperature: -25°C~+85°C, (Including temperature rise in applying electrical current) 5、Contact resistance: Initial value ≤20mΩ After environmental testing≤30mΩ 6、Insulation resistance: ≥1000MΩ 7、Withstand voltage:800VAC(rms) 8、Applicable wire: AWG #28 to #24 9、Applicable PCB board thickness: 1.6mm to 2.0mm |
|
| 2.0-B Type(MX) Wire-to-Board Connector | 1、CKT: 2Pin to 15Pin 2、Current rating: 2A AC/DC 3、Voltage rating(max): 125V, AC/DC ; 4、Working Temperature: -25°C~+85°C, (Including temperature rise in applying electrical current) 5、Contact resistance: value ≤40msΩ 6、Insulation resistance: ≥1000MΩ 7、Withstand voltage:500VAC(rms) 8、Applicable PCB board thickness: 1.6mm to 2.0mm |
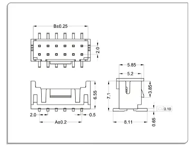
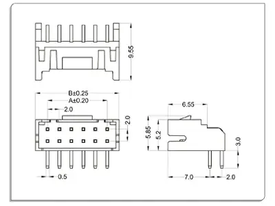
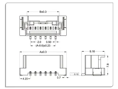
Mounting Measurement
| Straight Angle | Right Angle | |
| 2.0-C Type(PHDC) Wire-to-Board Connector | ||
| 2.0-B Type(MX) Wire-to-Board Connector |
Product Parameter
2.0-C Type(PHDC) Terminal: T=0.2mm

| Part No. | Wire Range | Insulation O.D | Material | Finish |
| WB200C0-T0 | AWG#28~ #24 | 1.20mm MAX | phosphor bronze | Tin & Gold-plated |
Product description
2.0-C Type(PHDC) Housing
Material: Nylon 66 UL94V0

| CKT | Part No | DIM A | DIM B |
| 2*2 | WB200C0-04 | 2 | 4.5 |
| 2*3 | WB200C0-06 | 4 | 6.5 |
| 2*4 | WB200C0-08 | 6 | 8.5 |
| 2*5 | WB200C0-10 | 8 | 10.5 |
| 2*6 | WB200C0-12 | 10 | 12.5 |
| 2*7 | WB200C0-14 | 12 | 14.5 |
| 2*8 | WB200C0-16 | 14 | 16.5 |
| 2*9 | WB200C0-18 | 16 | 18.5 |
| 2*10 | WB200C0-20 | 18 | 20.5 |
| 2*11 | WB200C0-22 | 20 | 22.5 |
| 2*12 | WB200C0-24 | 22 | 24.5 |
| - | - | - | - |
| 2*16 | WB200C0-32 | 30 | 32.5 |
Wafer
Material and Finish:
Housing:LCP UL 94V-0 & Terminal:Brass Finish:Tin-plated & Gold-plated

| CKT | Part No | DIM A | DIM B |
| 2*2 | WB200CL-04 | 2 | 6 |
| 2*3 | WB200CL-06 | 4 | 8 |
| 2*4 | WB200CL-08 | 6 | 10 |
| 2*5 | WB200CL-10 | 8 | 12 |
| 2*6 | WB200CL-12 | 10 | 14 |
| 2*7 | WB200CL-14 | 12 | 16 |
| 2*8 | WB200CL-16 | 14 | 18 |
| 2*9 | WB200CL-18 | 16 | 20 |
| 2*10 | WB200CL-20 | 18 | 22 |
| 2*11 | WB200CL-22 | 20 | 24 |
| 2*12 | WB200CL-24 | 22 | 26 |
| - | - | - | - |
| 2*20 | WB200CL-40 | 38 | 42 |
Material and Finish:
Housing:LCP UL .94V-0 & Terminal:Brass Finish: Tin-plated & Gold-plated

| CKT | Part No | DIM A | DIM B |
| 2*2 | WB200CW-04 | 2 | 6 |
| 2*3 | WB200CW-06 | 4 | 8 |
| 2*4 | WB200CW-08 | 6 | 10 |
| 2*5 | WB200CW-10 | 8 | 12 |
| 2*6 | WB200CW-12 | 10 | 14 |
| 2*7 | WB200CW-14 | 12 | 16 |
| 2*8 | WB200CW-16 | 14 | 18 |
| 2*9 | WB200CW-18 | 16 | 20 |
| 2*10 | WB200CW-20 | 18 | 22 |
| 2*11 | WB200CW-22 | 20 | 24 |
| 2*12 | WB200CW-24 | 22 | 26 |
| - | - | - | - |
| 2*20 | WB200CW-40 | 38 | 42 |
Housing
Material: Nylon 66 UL 94V-0

| CKT | Part No | DIM A | DIM B |
| 2*2 | WB200C0-04 | 2 | 4.5 |
| 2*3 | WB200C0-06 | 4 | 6.5 |
| 2*4 | WB200C0-08 | 6 | 8.5 |
| 2*5 | WB200C0-10 | 8 | 10.5 |
| 2*6 | WB200C0-12 | 10 | 12.5 |
| 2*7 | WB200C0-14 | 12 | 14.5 |
| 2*8 | WB200C0-16 | 14 | 16.5 |
| 2*9 | WB200C0-18 | 16 | 18.5 |
| 2*10 | WB200C0-20 | 18 | 20.5 |
| 2*11 | WB200C0-22 | 20 | 22.5 |
| 2*12 | WB200C0-24 | 22 | 24.5 |
| - | - | - | - |
| 2*16 | WB200C0-32 | 30 | 32.5 |
Wafer
Material and Finish:
Housing:Nylon 66 UL94V-0 & Terminal:Brass Finish: Tin-plated & Gold-plated

| CKT | Part No | DIM A | DIM B |
| 2*2 | WB200CL-04 | 2 | 6 |
| 2*3 | WB200CL-06 | 4 | 8 |
| 2*4 | WB200CL-08 | 6 | 10 |
| 2*5 | WB200CL-10 | 8 | 12 |
| 2*6 | WB200CL-12 | 10 | 14 |
| 2*7 | WB200CL-14 | 12 | 16 |
| 2*8 | WB200CL-16 | 14 | 18 |
| 2*9 | WB200CL-18 | 16 | 20 |
| 2*10 | WB200CL-20 | 18 | 22 |
| 2*11 | WB200CL-22 | 20 | 24 |
| 2*12 | WB200CL-24 | 22 | 26 |
| - | - | - | - |
| 2*20 | WB200CL-40 | 38 | 42 |
Material and Finish:
Housing: Nylon 66 UL 94V-0 & Terminal: Brass Finish: Tin-plated & Gold-plated

| CKT | Part No | DIM A | DIM B |
| 2*2 | WB200CW-04 | 2 | 6 |
| 2*3 | WB200CW-06 | 4 | 8 |
| 2*4 | WB200CW-08 | 6 | 10 |
| 2*5 | WB200CW-10 | 8 | 12 |
| 2*6 | WB200CW-12 | 10 | 14 |
| 2*7 | WB200CW-14 | 12 | 16 |
| 2*8 | WB200CW-16 | 14 | 18 |
| 2*9 | WB200CW-18 | 16 | 20 |
| 2*10 | WB200CW-20 | 18 | 22 |
| 2*11 | WB200CW-22 | 20 | 24 |
| 2*12 | WB200CW-24 | 22 | 26 |
| - | - | - | - |
| 2*20 | WB200CW-40 | 38 | 42 |
2.0-B Type(MX) Wafer
Material and Finish:
Housing:PA9T UL 94V-0 & Terminal:phosphor bronze & Fitting:Brass;
Finish:Tin-plated & Gold-plated

| CKT | Part No | DIM A | DIM B |
| 2 | WT200BL-02 | 10.7 | 4.8 |
| 3 | WT200BL-03 | 12.4 | 6.8 |
| 4 | WT200BL-04 | 14.4 | 8.8 |
| 5 | WT200BL-05 | 16.4 | 10.8 |
| 6 | WT200BL-06 | 18.4 | 12.8 |
| 7 | WT200BL-07 | 20.4 | 14.8 |
| 8 | WT200BL-08 | 22.4 | 16.8 |
| 9 | WT200BL-09 | 24.4 | 18.8 |
| 10 | WT200BL-10 | 26.4 | 20.8 |
| 11 | WT200BL-11 | 28.4 | 22.8 |
| 12 | WT200BL-12 | 30.4 | 24.8 |
| - | - | - | - |
| 15 | WT200BL-15 | 36.4 | 30.8 |
Material and Finish:
Housing:PA9T UL 94V-0 & Terminal:phosphor bronze & Fitting:Brass;
Finish:Tin-plated & Gold-plated

| CKT | Part No | DIM A | DIM B |
| 2 | WT200BW-02 | 8 | 4.8 |
| 3 | WT200BW-03 | 10 | 6.8 |
| 4 | WT200BW-04 | 12 | 8.8 |
| 5 | WT200BW-05 | 14 | 10.8 |
| 6 | WT200BW-06 | 16 | 12.8 |
| 7 | WT200BW-07 | 18 | 14.8 |
| 8 | WT200BW-08 | 20 | 16.8 |
| 9 | WT200BW-09 | 22 | 18.8 |
| 10 | WT200BW-10 | 24 | 20.8 |
| 11 | WT200BW-11 | 26 | 22.8 |
| 12 | WT200BW-12 | 28 | 24.8 |
| - | - | - | - |
| 15 | WT200BW-15 | 42 | 30.8 |



