0102030405
2.0-F Type(PH) WTB Board-to-Board Strip Connector
Product Overview
The 2.0-F Type (PH) WTB board-to-board strip connector designed for efficient electronic data signal connectivity. This connector kit features a 2.0mm pitch design, making it ideal for space-constrained applications. The kit includes a PCB receptacle header designed for wire-to-board interfaces, ensuring a reliable and durable connection. With its rugged housing and high-quality materials, the connector is able to withstand a variety of environmental conditions while maintaining stable performance.
Specifications
| Diagram | Specification |
| 1、CKT: 2Pin to 20Pin 2、Current rating; 2A AC/DC 3、Voltage rating(max): 200V, AC/IDC 4、Working Temperature: -25°C~+85°C, (Including temperature rise in applying electrical current) 5、Contact resistance: Initial value≤25mΩ After environmental testing≤55mΩ 6、Insulation resistance: ≥1000MΩ 7、Withstand voltage:500VAC(ms) 8、Applicable wire: AWG #30 to #24 9、Applicable PCB board thickness: 1.6mm to 2.0mm |
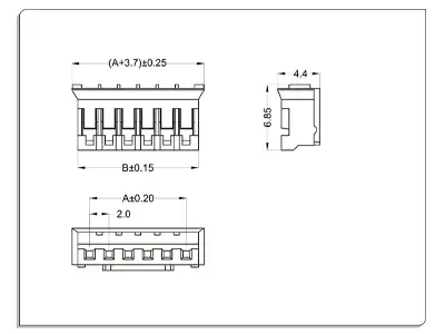
Mounting Measurement
| Straight Angle | Right Angle |
Product Parameter
Terminal: T=0.2mm

| Part No. | Wire Range | Insulation O.D | Material | Finish |
| WT200F0- T0 | AWG#30~ #24 | 1.50mm MAX | phosphor bronze | Tin & Gold-plated |
Product description
Housing
Material: Nylon 66 UL94V-0

| CKT | Part No | DIM A | DIM B |
| 2 | WT200F0-02 | 2 | 4.5 |
| 3 | WT200F0-03 | 4 | 6.5 |
| 4 | WT200F0-04 | 6 | 8.5 |
| 5 | WT200F0-05 | 8 | 10.5 |
| 6 | WT200F0-06 | 10 | 12.5 |
| 7 | WT200F0-07 | 12 | 14.5 |
| 8 | WT200F0-08 | 14 | 16.5 |
| 9 | WT200F0-09 | 16 | 18.5 |
| 10 | WT200F0-10 | 18 | 20.5 |
| 11 | WT200F0-11 | 20 | 22.5 |
| 12 | WT200F0-12 | 22 | 24.5 |
| - | - | - | - |
| 16 | WT200F0-16 | 30 | 32.5 |
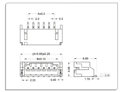
Wafer
Material and Finish:
Housing:LCP UL 94V-0 & Terminal:Brass Fitting:Brass;
Finish:Tin-plated & Gold-plated

| CKT | Part No | DIM A | DIM B |
| 2 | WT200FL-02 | 2 | 4.8 |
| 3 | WT200FL-03 | 4 | 6.8 |
| 4 | WT200FL-04 | 6 | 8.8 |
| 5 | WT200FL-05 | 8 | 10.8 |
| 6 | WT200FL-06 | 10 | 12.8 |
| 7 | WT200FL-07 | 12 | 14.8 |
| 8 | WT200FL-08 | 14 | 16.8 |
| 9 | WT200FL-09 | 16 | 18.8 |
| 10 | WT200FL-10 | 18 | 20.8 |
| 11 | WT200FL-11 | 20 | 22.8 |
| 12 | WT200FL-12 | 22 | 24.8 |
| - | - | - | - |
| 20 | WT200FL-20 | 38 | 40.8 |
Material and Finish:
Housing:LCP UL94V-0 & Terminal:Brass Fitting:Brass;
Finish: Tin-plated & Gold-plated

| CKT | Part No | DIM A | DIM B |
| 2 | WT200FW-02 | 2 | 4.8 |
| 3 | WT200FW-03 | 4 | 6.8 |
| 4 | WT200FW-04 | 6 | 8.8 |
| 5 | WT200FW-05 | 8 | 10.8 |
| 6 | WT200FW-06 | 10 | 12.8 |
| 7 | WT200FW-07 | 12 | 14.8 |
| 8 | WT200FW-08 | 14 | 16.8 |
| 9 | WT200FW-09 | 16 | 18.8 |
| 10 | WT200FW-10 | 18 | 20.8 |
| 11 | WT200FW-11 | 20 | 22.8 |
| 12 | WT200FW-12 | 22 | 24.8 |
| - | - | - | - |
| 20 | WT200FW-20 | 38 | 40.8 |
Housing
Material: Nylon 66 UL94V-0

| CKT | Part No | DIM A | DIM B |
| 2 | WT200F0-02 | 2 | 4.5 |
| 3 | WT200F0-03 | 4 | 6.5 |
| 4 | WT200F0-04 | 6 | 8.5 |
| 5 | WT200F0-05 | 8 | 10.5 |
| 6 | WT200F0-06 | 10 | 12.5 |
| 7 | WT200F0-07 | 12 | 14.5 |
| 8 | WT200F0-08 | 14 | 16.5 |
| 9 | WT200F0-09 | 16 | 18.5 |
| 10 | WT200F0-10 | 18 | 20.5 |
| 11 | WT200F0-11 | 20 | 22.5 |
| 12 | WT200F0-12 | 22 | 24.5 |
| - | - | - | - |
| 16 | WT200F0-16 | 30 | 32.5 |
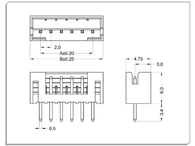
Wafer
Material and Finish:
Housing:Nylon 66 UL 94V-0 & Terminal:Brass Finish: Tin-plated & Gold-plated

| CKT | Part No | DIM A | DIM B |
| 2 | WT200F0-02 | 2 | 6 |
| 3 | WT200F0-03 | 4 | 8 |
| - | - | - | - |
| 20 | WT200F0-20 | 38 | 42 |
| 2 | WT200F0-02 | 2 | 6 |
| 3 | WT200F0-03 | 4 | 8 |
| - | - | - | - |
| 20 | WT200F0-20 | 38 | 42 |
| 2 | WT200F0-02 | 2 | 6 |
| 3 | WT200F0-03 | 4 | 8 |
| - | - | - | - |
| 20 | WT200F0-20 | 38 | 42 |
| 16 | WT200F0-16 | 30 | 32.5 |
Material and Finish:
Housing:Nylon 66 UL94V-0 & Terminal:Brass Finish: Tin-plated & Gold-plated

Material and Finish:
Housing: Nylon 66 UL 94V-0 & Terminal:Brass Finish: Tin-plated & Gold-plated



