0102030405
2.5-M Type(XH) Wire-to-Board Connector
Specifications
| Diagram | Specification |
| |
1、CKT: 2Pin to 16Pin 2、Current rating: 3A AC/DC 3、Voltage rating(max): 250V, AC/DC. 4、Working Temperature: -25C~ +85"C, (Including temperature rise in applying electrical current) 5、Contact resistance:Initial value s20mΩ After environmental testing≤30mΩ 6、Insulation resistance: ≥1000MΩ 7、Withstand voltage:1000VAC(rms) 8、Applicable wire: AWG #28 to #22 9、Applicable PCB board thickness: 1.6mm to 2.0mm |
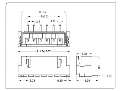
Mounting Measurement
| Straight Angle | Right Angle |
| |
Product Parameter
Terminal: T=0.2mm

| Part No. | Wire Range | Insulation O.D | Material | Finish |
| WT250M0-T0 | AWG#28~ #22 | 1.90mm MAX | phosphor bronze | Tin & Gold-plated |
Product description
Housing
Material: Nylon 66 UL94V-0

| CKT | Part No | DIM A | DIM B |
| 2 | WT250M0-02 | 2.5 | 5.7 |
| 3 | WT250M0-03 | 5 | 8.2 |
| 4 | WT250M0-04 | 7.5 | 10.7 |
| 5 | WT250M0-05 | 10 | 13.2 |
| 6 | WT250M0-06 | 12.5 | 15.7 |
| 7 | WT250M0-07 | 15 | 18.2 |
| 8 | WT250M0-08 | 17.5 | 20.7 |
| 9 | WT250M0-09 | 20 | 23.2 |
| 10 | WT250M0-10 | 22.5 | 25.7 |
| 11 | WT250M0-11 | 25 | 28.2 |
| 12 | WT250M0-12 | 27.5 | 30.7 |
| - | - | - | - |
| 16 | WT250M0-16 | 37.5 | 40.7 |
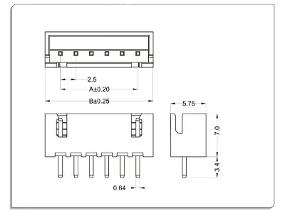
Wafer
Material and Finish:
Housing:LCP UL94V-0 & Terminal:Brass Fitting:Brass;
Finish:Tin-plated & Gold-plated

| CKT | Part No | DIM A | DIM B |
| 2 | WT250ML-02 | 2.5 | 7.5 |
| 3 | WT250ML-03 | 5 | 10 |
| 4 | WT250ML-04 | 7.5 | 12.5 |
| 5 | WT250ML-05 | 10 | 15 |
| 6 | WT250ML-06 | 12.5 | 17.5 |
| 7 | WT250ML-07 | 15 | 20 |
| 8 | WT250ML-08 | 17.5 | 22.5 |
| 9 | WT250ML-09 | 20 | 25 |
| 10 | WT250ML-10 | 22.5 | 27.5 |
| 11 | WT250ML-11 | 25 | 30 |
| 12 | WT250ML-12 | 27.5 | 32.5 |
| - | - | - | - |
| 16 | WT250ML-16 | 37.5 | 42.5 |
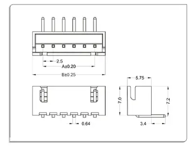
Material and Finish:
Housing:LCP UL94V-0 & Terminal:Brass Fitting:Brass;
Finish: Tin-plated & Gold-plated

| CKT | Part No | DIM A | DIM B |
| 2 | WT250MW-02 | 2.5 | 7.5 |
| 3 | WT250MW-03 | 5 | 10 |
| 4 | WT250MW-04 | 7.5 | 12.5 |
| 5 | WT250MW-05 | 10 | 15 |
| 6 | WT250MW-06 | 12.5 | 17.5 |
| 7 | WT250MW-07 | 15 | 20 |
| 8 | WT250MW-08 | 17.5 | 22.5 |
| 9 | WT250MW-09 | 20 | 25 |
| 10 | WT250MW-10 | 22.5 | 27.5 |
| 11 | WT250MW-11 | 25 | 30 |
| 12 | WT250MW-12 | 27.5 | 32.5 |
| - | - | - | - |
| 16 | WT250MW-16 | 37.5 | 42.5 |
Housing
Material: Nylon 66 UL .94V-0
| CKT | Part No | DIM A | DIM B |
| 2 | WT250M0-02 | 2.5 | 5.7 |
| 3 | WT250M0-03 | 5 | 8.2 |
| 4 | WT250M0-04 | 7.5 | 10.7 |
| 5 | WT250M0-05 | 10 | 13.2 |
| 6 | WT250M0-06 | 12.5 | 15.7 |
| 7 | WT250M0-07 | 15 | 18.2 |
| 8 | WT250M0-08 | 17.5 | 20.7 |
| 9 | WT250M0-09 | 20 | 23.2 |
| 10 | WT250M0-10 | 22.5 | 25.7 |
| 11 | WT250M0-11 | 25 | 28.2 |
| 12 | WT250M0-12 | 27.5 | 30.7 |
| - | - | - | - |
| 16 | WT250M0-16 | 37.5 | 40.7 |
Wafer
Material and Finish:
Housing: Nylon 66 UL 94V-0 & Terminal:Brass Finish:Tin-plated & Gold-plated

CKT |
Part No |
DIM A |
DIM B |
2 |
WT250ML-02 |
2.5 |
7.5 |
3 |
WT250ML-03 |
5 |
10 |
- |
- |
- |
- |
16 |
WT250ML-16 |
37.5 |
42.5 |
2 |
WT250MW-02 |
2.5 |
7.5 |
3 |
WT250MW-03 |
5 |
10 |
- |
- |
- |
- |
16 |
WT250MW-16 |
37.5 |
42.5 |
2 |
WT250MW-02 |
2.5 |
7.5 |
3 |
WT250MW-03 |
5 |
10 |
- |
- |
- |
- |
16 |
WT250ML-16 |
37.5 |
42.5 |
Material and Finish:
Housing:Nylon 66 UL94V-0 & Terminal:Brass Finish: Tin-plated & Gold-plated

Material and Finish:
Housing: Nylon 66 UL 94V-0 & Terminal:Brass Finish: Tin-plated & Gold-plated



