0.5mm Pitch Easy on Type H=1.0/H=1.2
Specifications
|
Model |
Diagram |
Specifications |
|
0.5mm Pitch Easy on Type H=1.0 |
|
1、Current rating:0.5A AC/DC |
|
CKT:4Pin to 50Pin |
||
|
0.5mm Pitch Easy On Type H=1.2 |
|
|
|
CKT:4Pin to 60Pin |
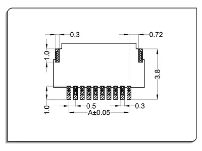
Mounting Measurement
|
|
Assembly layout |
Applicable Flat cable |
P.C.B Layout |
|
0.5mm Pitch Easy on Type H=1.0 |
|
|
|
|
0.5mm Pitch Easy On Type H=1.2 |
|
|
|
Product description
Easy-on Type H=1.0 R/A
Material and Finish:
Housing: LCP UL94V-0&Terminal:phosphor bronze & Fitting:phosphor bronze;
Finish:Tin-plated &Gold-plated

|
CKT |
Part No |
DIM A |
DIM B |
|
4 |
XW05102-04 |
1.5 |
2.6 |
|
5 |
XW05102-05 |
2 |
3.1 |
|
6 |
XW05102-06 |
2.5 |
3.6 |
|
7 |
XW05102-07 |
3 |
4.1 |
|
8 |
XW05102-08 |
3.5 |
4.6 |
|
9 |
XW05102-09 |
4 |
5.1 |
|
10 |
XW05102-10 |
4.5 |
5.6 |
|
11 |
XW05102-11 |
5 |
6.1 |
|
12 |
XW05102-12 |
5.5 |
6.6 |
|
13 |
XW05102-13 |
6 |
7.1 |
|
14 |
XW05102-14 |
6.5 |
7.6 |
|
- |
- |
- |
- |
|
50 |
XW05102-50 |
24.5 |
25.6 |
Easy-on Type H=1.2 R/A
Material and Finish :
Housing:LCP UL94V-0 &Terminal:phosphor bronze & Fitting:phosphor bronze;
Finish:Tin-plated &Gold-plated

|
CKT |
Part No |
DIM A |
DIM B |
|
4 |
XW05122-04 |
1.5 |
2.55 |
|
5 |
XW05122-05 |
2 |
3.05 |
|
6 |
XW05122-06 |
2.5 |
3.55 |
|
7 |
XW05122-07 |
3 |
4.05 |
|
8 |
XW05122-08 |
3.5 |
4.55 |
|
9 |
XW05122-09 |
4 |
5.05 |
|
10 |
XW05122-10 |
4.5 |
5.55 |
|
11 |
XW05122-11 |
5 |
6.05 |
|
12 |
XW05122-12 |
5.5 |
6.55 |
|
13 |
XW05122-13 |
6 |
705 |
|
14 |
XW05122-14 |
6.5 |
7.55 |
|
- |
- |
- |
- |
|
60 |
XW05122-60 |
29.5 |
30.55 |









