0102030405
0.5mm Pitch ZIF R/A Type Upper/Down Contact H=1.2
Specifications
| Model | Diagram | Specifications |
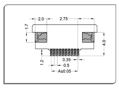
| 0.5mm Pitch ZIF R/A Type Upper Contact H=1.2 |
|
1、CKT: 4Pin to 60Pin 2、Current rating: 0.5A AC/DC 3、Voltage rating(max): 50V, AC/DC 4、Working Temperature: -25°C~+85°C, (Including temperature rise in applying electrical current) 5、Contact resistance:Initial value≤30mΩ After environmental testing≤50mΩ 6、Insulation resistance:≥500MΩ 7、Withstand voltage: 500VAC(rms) 8、Applicable PCB board thickness: 1.6mm to 2.0mm |
| 0.5mm Pitch ZIF R/A Type Down Contact H=1.2 |
|
Mounting Measurement
| Assembly layout | Applicable Flat cable | P.C.B Layout |
|
|
|
Product description
ZIF R/A Upper contact
Material and Finish :
Housing:LCP UL 94V-0 & Terminal:phosphor bronze & Fitting:phosphor bronze;
Finish:Tin-plated & Gold-plated

ZIF R/A Down contact
Material and Finish :
Housing:LCP UL 94V-0 & Terminal:phosphor bronze & Fitting:phosphor bronze;
Finish: Tin-plated & Gold-plated

Material and Finish :
Housing:LCP UL 94V-0 & Terminal:phosphor bronze & Fitting:phosphor bronze;
Finish:Tin-plated & Gold-plated

| CKT | Part No | DIM A | DIM B |
| 4.00 | LW05121-04 | 1.50 | 2.56 |
| 5.00 | LW05121-05 | 2.00 | 3.06 |
| 6.00 | LW05121-06 | 2.50 | 3.56 |
| 7.00 | LW05121-07 | 3.00 | 4.06 |
| 8.00 | LW05121-08 | 3.50 | 4.56 |
| 9.00 | LW05121-09 | 4.00 | 5.06 |
| 10.00 | LW05121-10 | 4.50 | 5.56 |
| 11.00 | LW05121-11 | 5.00 | 6.06 |
| 12.00 | LW05121-12 | 5.50 | 6.56 |
| 13.00 | LW05121-13 | 6.00 | 7.06 |
| 14.00 | LW05121-14 | 6.50 | 7.56 |
| - | - | - | - |
| 60.00 | LW05121-60 | 29.50 | 30.56 |
ZIF R/A Down contact
Material and Finish :
Housing:LCP UL 94V-0 & Terminal:phosphor bronze & Fitting:phosphor bronze;
Finish: Tin-plated & Gold-plated

| CKT | Part No | DIM A | DIM B |
| 4 | LW05122-04 | 1.5 | 2.56 |
| 5 | LW05122-05 | 2 | 3.06 |
| 6 | LW05122-06 | 2.5 | 3.56 |
| 7 | LW05122-07 | 3 | 4.06 |
| 8 | LW05122-08 | 3.5 | 4.56 |
| 9 | LW05122-09 | 4 | 5.06 |
| 10 | LW05122-10 | 4.5 | 5.56 |
| 11 | LW05122-11 | 5 | 6.06 |
| 12 | LW05122-12 | 5.5 | 6.56 |
| 13 | LW05122-13 | 6 | 7.06 |
| 14 | LW05122-14 | 6.5 | 7.56 |
| - | - | - | - |
| 60 | LW05122-60 | 29.5 | 30.56 |



