0.5mm Pitch Easy On Type H=2.0 with Buckle/Large Solder
Product Overview
The 0.5mm pitch Easy On H=2.0 connector with a 0.5mm pitch and a 2.0mm height, easy-to-install, right-angle snap-on design simplifies assembly for quick and reliable installation. This feature is particularly beneficial in high-density environments where space is limited. Large solder joints enhance connection stability, ensuring a durable interface even in harsh conditions.
This connector is rated for 0.5A AC/DC and a maximum voltage of 50V AC/DC, offering versatility and suitability for a wide range of applications. Whether used in consumer electronics, automotive systems, or industrial machinery, this connector provides a reliable power and signal transmission solution. Its operating temperature range of -25°C to +85°C ensures reliable operation in a wide range of environmental conditions, including elevated temperatures when powered.
Specifications
| Model | Diagram | Specification |
| 0.5mm Pitch Easy On Type H=2.0 with Buckle |
|
1、 CKT: 5Pin to 80Pin 2、Current rating: 0.5A AC/DC 3、 Voltage rating(max): 50V, AC/DC 4、 Working Temperature: -25°C~+85°C, (Including temperature rise in applying electrical current) 5、 Contact resistance:value ≤50mΩ 6、 Insulation resistance: ≥500MΩ 7、 Withstand voltage: 150VAC(rms) 8、 Applicable PCB board thickness: 1.6mm to 2.0mm |
| 0.5mm Pitch Easy On Type H=2.0 with Large Solder |
|
Mounting Measurement
| Assembly layout | Applicable Flat cable | P.C.B Layout | |
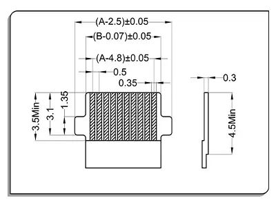
| 0.5mm Pitch Easy On Type H=2.0 with Buckle |
|
|
|
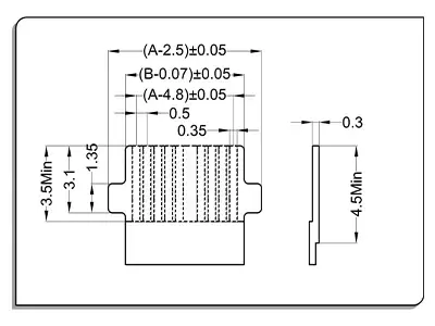
| 0.5mm Pitch Easy On Type H=2.0 with Large Solder |
|
|
|
Product description
Material and Finish :
Housing:LCP UL94V-0 & Terminal:phosphor bronze & Fitting:phosphor bronze;
Finish:Tin-plated & Gold-plated
| CKT | Part No | DIM A | DIM B |
| 5 | XW05202-05 | 6.8 | 3.07 |
| 6 | XW05202-06 | 7.3 | 3.57 |
| 7 | XW05202-07 | 7.8 | 4.07 |
| 8 | XW05202-08 | 8.3 | 4.57 |
| 9 | XW05202-09 | 8.8 | 5.07 |
| 10 | XW05202-10 | 9.3 | 5.57 |
| 11 | XW05202-11 | 9.8 | 6.07 |
| 12 | XW05202-12 | 10.3 | 6.57 |
| 13 | XW05202-13 | 10.8 | 7.07 |
| 14 | XW05202-14 | 11.3 | 7.57 |
| 15 | XW05202-15 | 11.8 | 8.07 |
| - | - | - | - |
| 80 | XW05202-80 | 44.3 | 40.57 |
Easy-on R/A With Buckle Large solder
Material and Finish :
Housing:LCP UL 94V-0 & Terminal:phosphor bronze & Fitting:phosphor bronze;
Finish: Tin-plated & Gold-plated
| CKT | Part No | DIM A | DIM B |
| 5 | XW05202-05 | 6.8 | 3.07 |
| 6 | XW05202-06 | 7.3 | 3.57 |
| 7 | XW05202-07 | 7.8 | 4.07 |
| 8 | XW05202-08 | 8.3 | 4.57 |
| 9 | XW05202-09 | 8.8 | 5.07 |
| 10 | XW05202-10 | 9.3 | 5.57 |
| 11 | XW05202-11 | 9.8 | 6.07 |
| 12 | XW05202-12 | 10.3 | 6.57 |
| 13 | XW05202-13 | 10.8 | 7.07 |
| 14 | XW05202-14 | 11.3 | 7.57 |
| 15 | XW05202-15 | 11.8 | 8.07 |
| - | - | - | - |
| 80 | XW05202-80 | 44.3 | 40.57 |



